Aiguille de boisseau KEIHIN FCR 35-41mm - N427-0CEKQ
Aiguille de boisseau KEIHIN FCR 35-41mm - N427-0CEKQ

Aiguille de boisseau KEIHIN FCR 35-41mm - N427-0CEKQ

KEIHIN
1106413
En stock
17,00 €
TTC

Commandez avant 91 heures et 2 minutes pour une expédition le 13/04

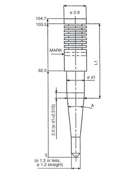
Description

Les cotes de ces aiguilles Keihin sont incluses dans la référence constructeur.
La syntaxe est N427-OC-(ANGLE DE BISEAU)(L1)(DIAMÈTRE)

Par exemple, N427-OC-DVR correspond à un cône de 0°45′, un L1 de 82.75mm et un diamètre de 2.755mm.